110SY-M**S1 permanent magnet AC servo motor
| Motor model | 110SY-M02030S1 | 110SY-M04020S1 | 110SY-M04030S1 | 110SY-M05030S1 | 110SY-M06020S1 | 110SY-M06030S1 |
| Rated power (W) | 600 | 800 | 1200 | 1500 | 1200 | 1800 |
| Input voltage (V) | 220 | 220 | 220 | 220 | 220 | 220 |
| Rated current (A) | 2.5 | 3.5 | 5 | 6 | 4.5 | 6.5 |
| Rated torque (N.m) | 2 | 4 | 4 | 5 | 6 | 6 |
| Maximum torque (N.m) | 6 | 12 | 12 | 15 | 12 | 18 |
| Rated speed (rpm) | 3000 | 2000 | 3000 | 3000 | 2000 | 3000 |
| Max. speed (rpm) | 4000 | 3000 | 4000 | 4000 | 3000 | 4000 |
| Rotor inertia (Kg. m ^ 2) | 3.1X10-4 | 5.4X10-4 | 5.4X10-4 | 6.3X10-4 | 7.6X10-4 | 7.6X10-4 |
| Motor weight (Kg) | 4.5 | 6 | 6 | 6.9 | 7.9 | 7.9 |
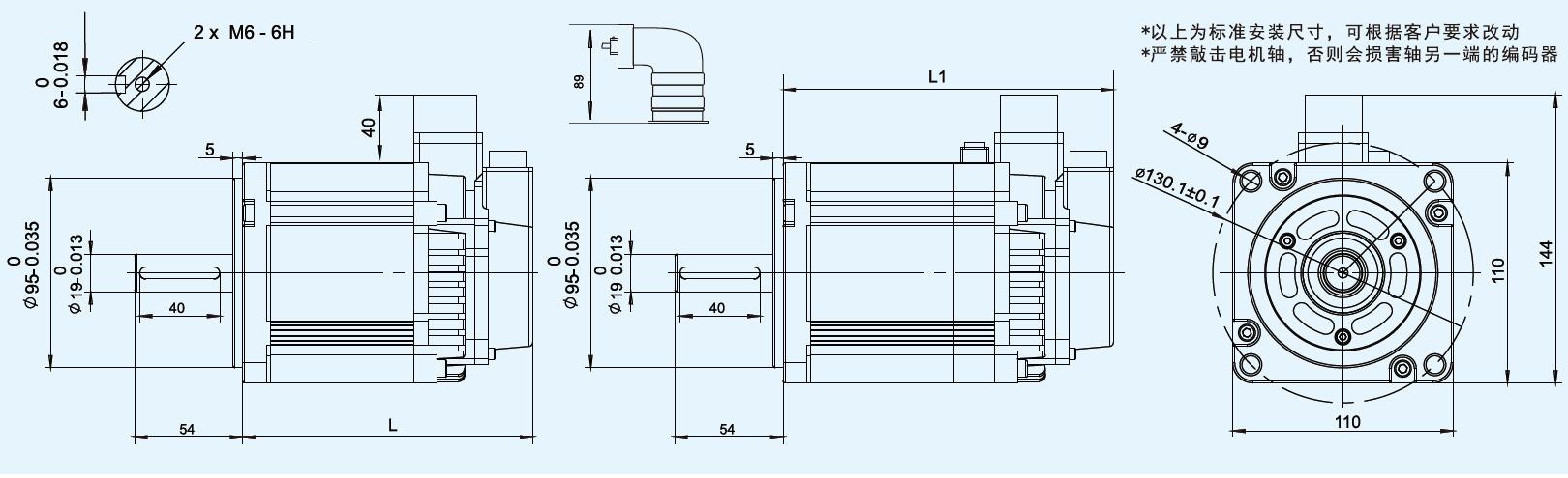
| Motor lengthL(mm) | L | 150 | 165 | 165 | 178 | 198 | 198 |
| L1(with band brake) | 185 | 200 | 200 | 213 | 233 | 233 |
Winding connection table
| Winding wiring | Winding lead | U | V | W | PE | Brake lead | braking | braking |
| (Aviation plug) socket No | 2 | 3 | 4 | 1 | External band brake socket No | 1 | 2 |
| Note: braking voltage DC24V (no polarity requirement) | Number of built-in band brake socket | 5 | 6 |
Note: DC24V brake voltage (no polarity requirements)
Encoder connection table
| Encoder wiring | Signal definition | 5V | OV | A+ | B+ | Z+ | A- | B- | Z- | PE |
| Socket No | 2 | 3 | 4 | 5 | 6 | 7 | 8 | 9 | 1 |
| Definition of absolute value signal | PE | E- | E+ | SD- | GND0V | SD+ | Vcc5V |
|
|
| Socket No | 1 | 2 | 3 | 4 | 5 | 6 | 7 |
|
|
